Search waiting | Matsusada Precision

Searching...

Tech Tips

Published: , / Updated: , T.N.
Correct Connction; To Get Good Performance of Power Supply | Tech | Matsusada Precision

Effects of Wiring and Connection on Power Supply Performance

Electricity supplied from standard electrical outlets is alternating current (AC) and contains noise, including momentary voltage drops and harmonics. There is a restriction on the use of AC voltage. Therefore, power supply devices are used to remove noise and to obtain electricity of various voltages, direct current (DC), and AC.

If the wiring between the programmable power supply and the device used is not connected correctly, it could cause poor product performance, fire, electric shock hazards, and power supply failure. Two main factors will impact the performance of a power supply unit in wiring.

Electric wire has resistance.

Although materials used for wiring will be chosen to have low resistance, wiring resistance is more than 0Ω. It also has inductance and capacitance. The first step in reducing the impacts is to use wires of sufficient thickness and as short as possible.

If not, the effects of resistance, inductance, and capacitance in wiring will have a greater impact. There could be problems such as a potential difference between the power supply and the devices, or the cable generates heat resulting in fire. It also causes poor ON/OFF response, which can lead to malfunctions and erroneous measurements.

Besides, if the terminals of the power supply or resistor are not connected correctly in wiring, the connection will become resistant and the power supply will not provide good performance. It is necessary to check for rust and looseness at the connectors.

Wiring is affected by noise.

If the length is too long, the wiring may act like an antenna and become a noise source. It is because it picks up signals, surges, and radio waves emitted by nearby electrical equipment, as well as changes in the surrounding magnetic field, which can impact the wired equipment.

There is also the problem that longer wires are more likely to generate common impedance noise. Common impedance exists in the common part of multiple circuits, and it is a phenomenon in which the operation of one circuit affects the operation of another circuit.

In order to avoid the common impedance, the wiring needs to be thicker and shorter. Other sources of noise caused by looping excess wires and bundling power cables can badly affect the performance of the power supply unit.

Three points on proper wiring

Wiring is an essential element when connecting power supplies to devices and resistors. To minimize resistance and noise caused by wiring as much as possible, here are some tips to keep in mind.

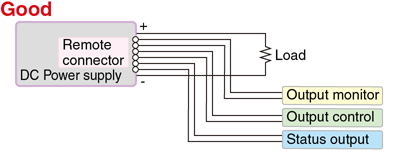
(1) Do not connect ground in common for power, analog remote control, and digital remote control.

Suppose the ground of digital signals, status systems, etc., is connected in common. In that case, a common impedance will be generated as the ground potential fluctuates due to a change in the output state of the power supply.

Such noise generated in this condition is called common mode noise, which can cause malfunctioning of the power supply unit and other devices connected to it. Therefore, avoid connecting the ground in common in order to reduce the effects of the common mode noise.

Not Good | Do not connect ground in common for power, analog remote control, and digital remote control. | Correct Connection; To Get Good Performance of Power Supply
Good | Do not connect ground in common for power, analog remote control, and digital remote control. | Correct Connection; To Get Good Performance of Power Supply

(2) Shorten the wiring for remote control.

If the wiring is too long, the wiring itself becomes resistant, resulting in a common impedance. Wiring for power, signal and power systems as well as remote control should be as short as possible.

(3) Wiring for remote control should not be routed near high-frequency power sources.

The wiring will function as an antenna that receives the electromagnetic waves emitted by high-frequency currents and possibly causes them to malfunction. In the case of USB, the standard length is up to 5 meters. However, communication is not possible even at 2 meters when used in noisy environments.

To prevent trouble, ensure the wiring for remote control should not pass near high-frequency power sources.
And using optical fiber cables instead of electrical cables is another countermeasure against the malfunction of the digital remote control. For example, in noisy environments such as factories or when remote control at long distances is required, there will be no electromagnetic or common mode noise using an optical isolation adapter.

Electric wires; Cables and Cords

Cables and Cords are the terms that are frequently used in the electrical and communication field. This section describes the basic differences between them.

Basic difference between cables and cords

Cable is a group of conductors that is well insulated by covering whereas Cord is a simply isolated conductor. A cord is easily used and less durable and low strength.

It has only to be used in areas free of force or in stable environments like indoors. For wiring between common household appliances and electrical outlets, cords are mostly used. Cables, on the other hand, can be used in a variety of scenes and applications.

Types of electrical cables

A cable features high strength and durability and it is used in power and telecommunications infrastructure. Here are the scenes and types of main cables available.

Power supply

The cable is used to supply electric power. The cables include:

  • Underground power transmission cable
  • Cross-linked polyethylene insulated wires for outdoor use (OC)
  • Cross-linked polyethylene cable (CV)
  • Vinyl cabtire (VCT) cable
  • VCTF cable
  • Indoor PVC

Apart from the above-mentioned cables, bare wires that have no insulation around the conductors are used as transmission lines to supply high-voltage electricity from power plants.

Communication and control

Cables for communication and control are used not only for their durability, but also for their ability to cut noise from the surroundings. The cables include:

  • Control-use Vinyl insulated vinyl sheathed (CVV) cable
  • City pair polyethylene insulated PVC sheathed (CPEV) cable
  • Optical fiber cable
Disaster prevention

Durable cables are required for disaster prevention applications. Cables used for fire alarms and emergency communication systems include:

  • Fireproof (FP) Cable
  • FP-C Cable
  • Fire Resistant Cable

Reference (Japanese site)