Basics of AC Power Supply
In Japan, the "2018 Hokkaido Eastern Iburi Earthquake" that occurred on September 6, 2018, and typhoon No. 15 in 2019 brought about a "blackout" that caused the power supply to completely stop. Due to these factors, the power plants or the electric wires were damaged, making it impossible to supply electricity for a long time.
In modern society, almost every machine, from home appliances to industrial equipment, needs a power supply. Therefore, the power companies are working day and night for a stable supply of AC power.
The AC power is transmitted at 60 Hz in western Japan and 50 Hz in eastern Japan. Naturally, power cannot be exchanged as it is between areas with different frequencies. Therefore, power will be exchanged through facilities that perform frequency conversion.
There are also several types of voltage in Japan. For home use, 100 V of single-phase standard voltage (single-phase two-wire system) is mainly used.
Single-phase AC two-wire connection type
- Green: E (Earth)
- Black: L (Live)
- White: N (Neutral) for earth grounding
Single phase: AC power is transmitted through two electric cables.
But some devices operate with 200 V of single-phase three-wire system. Recently, the number of single-phase voltage doubler used for air conditioners and the like has been increasing.
Single-phase AC three-wire connection type
- Green: E (Earth)
- Black: L (Live)
- White: N (Neutral) for earth grounding
Single phase: AC power is transmitted through three electric cables.
On the other hand, three-phase AC power such as 400V is generally used in factories. In Japan, three-phase AC 200V is often used.
Three-phase electric power
While this is the current situation in Japan, the other countries are largely different. The frequency is 50 Hz or 60 Hz, but the voltage changes.
Cubicle: High-Voltage Power Receiving Equipment (In Japan, this is called a cubicle)
A slightly different example would be the power supply used in aircraft avionics systems. Previously, 14 V or 28 V DC was used, but due to the increase in size and computerization, 400 Hz AC is now used except for some small machines. This higher frequency is used because it is lighter in weight when making a transformer.
The following is a list of single-phase AC voltage, frequency, and shape types used in countries and regions around the world.
| Types | Type A | Type B | Type C | Type D | Type E | Type F | Type G |
|---|---|---|---|---|---|---|---|
| Name in Japan | Type A | Type A | Type C | Type B3 | Type SE | Type SE | Type BF |
| Plugs shapes | |||||||
| Outlet shapes | |||||||
| Types | Type H | Type I | Type J | Type K | Type L | Universal | |
| Name in Japan | - | Type O2 | - | - | - | Universal | |
| Plugs shapes | - | ||||||
| Outlet shapes | |||||||
| Area | Countries / Regions | Single-Phase Voltage [V] | Three-Phase Voltage [V] | Frequency [Hz] | Outlet Shape |
|---|---|---|---|---|---|
| Asia | Japan | 100 / 200 V | 200 V | 50/60 Hz | A/B |
| China | 220 V | 380 V | 50 Hz | A/C/I | |
| Hong Kong | 220 V | 380 V | 50 Hz | D/G | |
| Taiwan | 110 V | 220 V | 60 Hz | A/B | |
| South Korea | 220 V | 380 V | 60 Hz | C/F | |
| India | 230 V | 400 V | 50 Hz | C/D/M | |
| Indonesia | 230 V | 400 V | 50 Hz | C/F | |
| Cambodia | 230 V | 400 V | 50 Hz | A/C/G | |
| Singapore | 230 V | 400 V | 50 Hz | C/G/M | |
| Sri Lanka | 230 V | 400 V | 50 Hz | D/G/M | |
| Thailand | 230 V | 400 V | 50 Hz | A/B/C/F/O | |
| Nepal | 230 V | 400 V | 50 Hz | C/D/M | |
| Vietnam | 220 V | 380 V | 50 Hz | A/C/D | |
| Malaysia | 240 V | 415 V | 50 Hz | G | |
| Myanmar | 230 V | 400 V | 50 Hz | C/D/F/G | |
| Laos | 230 V | 400 V | 50 Hz | A/B/C/E/F | |
| Europe | Iceland | 230 V | 400 V | 50 Hz | C/F |
| United Kingdom | 230 V | 415 V | 50 Hz | G | |
| France | 230 V | 400 V | 50 Hz | C/E | |
| Germany | 230 V | 400 V | 50 Hz | C/F | |
| Italy | 230 V | 400 V | 50 Hz | C/F/L | |
| Netherlands | 230 V | 400 V | 50 Hz | C/F | |
| Austria | 230 V | 400 V | 50 Hz | C/F | |
| Greece | 230 V | 400 V | 50 Hz | C/F | |
| Switzerland | 230 V | 400 V | 50 Hz | C/J | |
| Sweden | 230 V | 400 V | 50 Hz | C/F | |
| Spain | 230 V | 400 V | 50 Hz | C/F | |
| Czech Republic | 230 V | 400 V | 50 Hz | C/E | |
| Denmark | 230 V | 400 V | 50 Hz | C/E/F/K | |
| Norway | 230 V | 230 / 400 V | 50 Hz | C/F | |
| Finland | 230 V | 400 V | 50 Hz | C/F | |
| Belgium | 230 V | 400 V | 50 Hz | C/E | |
| Poland | 230 V | 400 V | 50 Hz | C/E | |
| Portugal | 230 V | 400 V | 50 Hz | C/F | |
| Romania | 220 V | 400 V | 50 Hz | C/F | |
| Russia | 220 V | 380 V | 50 Hz | C/F | |
| Middle East | Turkey | 220 V | 400 V | 50 Hz | C/F |
| Israel | 230 V | 400 V | 50 Hz | C/H | |
| Syria | 220 V | 380 V | 50 Hz | C/E/L | |
| Iran | 230 V | 400 V | 50 Hz | C/F | |
| Saudi Arabia | 230 V | 400 V | 60 Hz | G | |
| Jordan | 230 V | 400 V | 50 Hz | C/D/F/G/J | |
| United Arab Emirates (Dubai) | 230 V | 400 V | 50 Hz | G | |
| The Americas | Canada | 120 V | 120 / 208 / 240 / 480 / 347 / 600 V |
60 Hz | A/B |
| United States | 120 V | 208Y/120V, 480Y/277V, 240V Delta |
60 Hz | A/B | |
| Argentina | 220 V | 380 V | 50 Hz | C/I | |
| Ecuador | 120 V | 208 V | 60 Hz | A/B | |
| Cuba | 110 / 220 V | 190 V | 60 Hz | A/B/C/L | |
| Guatemala | 120 V | 208 V | 60 Hz | A/B | |
| Costa Rica | 120 V | 240 V | 60 Hz | A/B | |
| Jamaica | 110 V | 190 V | 50 Hz | A/B | |
| Chile | 220 V | 380 V | 50 Hz | C/L | |
| Panama | 110 V | 240 V | 60 Hz | A/B | |
| Bahamas | 120 V | 208 V | 60 Hz | A/B | |
| Peru | 220 V | 220 V | 60 Hz | A/B/C | |
| Bolivia | 230 V | 400 V | 50 Hz | A/C | |
| Mexico | 127 V | 220 / 480 V | 60 Hz | A/B | |
| Brazil | 127 / 220 V | 220 / 380 V | 60 Hz | C/N | |
| Africa | Egypt | 220 V | 380 V | 50 Hz | C/F |
| Tunisia | 230 V | 400 V | 50 Hz | C/E | |
| Morocco | 220 V | 380 V | 50 Hz | C/E | |
| Kenya | 240 V | 415 V | 50 Hz | G | |
| Zimbabwe | 240 V | 415 V | 50 Hz | D/G | |
| Tanzania | 230 V | 415 V | 50 Hz | D/G | |
| South Africa | 230 V | 400 V | 50 Hz | C/D/M/N | |
| Oceania | Australia | 230 V | 400 V | 50 Hz | I |
| New Caledonia | 220 V | 380 V | 50 Hz | C/F | |
| New Zealand | 230 V | 400 V | 50 Hz | I | |
| Palau | 120 V | 208 V | 60 Hz | A/B | |
| Fiji | 240 V | 415 V | 50 Hz | I | |
| Other | Airplane | 115 / 200 V | - | 400 Hz | - |
| 15A | 20A | 15/20A兼用 | 30A | ||
|---|---|---|---|---|---|
| Single-phase 100V | Ungrounded outlets |
125V 15A 1500W |
125V 20A 2000W |
125V 20A 2000W |
-- |
| Grounded outlets |
125V 15A 1500W |
125V 20A 2000W |
125V 20A 2000W |
-- | |
| Single-phase 200V | Ungrounded outlets |
250V 15A 3000W |
250V 20A 4000W |
250V 20A 4000W |
250V 30A 6000W |
| Grounded outlets |
250V 15A 3000W |
250V 20A 4000W |
-- |
250V 30A 6000W |
|
| Three-phase 200V | Ungrounded outlets |
250V 15A 5196W |
250V 20A 6928W |
-- |
250V 30A 10392W |
| Grounded outlets |
250V 15A 5196W |
250V 20A 6928W |
-- |
250V 30A 10392W |
|
| 15A | 20A | 30A | ||
|---|---|---|---|---|
| Single-phase 100V | Ungrounded outlets |
125V 15A |
-- | -- |
| Grounded outlets |
125V 15A |
-- | -- | |
| Single-phase 200V | Ungrounded outlets | -- |
250V 20A |
30A |
| Grounded outlets |
250V 15A |
250V 20A |
250V 30A |
|
| Three-phase 200V | Ungrounded outlets | -- |
250V 20A |
250V 30A |
| Grounded outlets | -- |
250V 20A |
-- | |
AC waveform trouble
On the other hand, however, there may be troubles due to the natural environment and/or the demand and supply of electricity. Electric power companies try to avoid a situation where electricity is completely cut off by duplicating power transmission, but natural disasters such as large-scale earthquakes and floods are inevitable.
And besides that, there are many troubles. The following shows the voltage waveforms in trouble cases.
| Trouble types | AC Power Waveform | Description | Test by AC Power Supply | Test by Bipolar Power Supply |
|---|---|---|---|---|
| Normal status |
|
A state where stable voltage and frequency are supplied. | Possible* with DRS, DRJ, DRK series | Possible* |
| Power Outage / Blackout |
|
A state where the power supply is stopped for a long time. | Possible* with DRS, DRJ, DRK series | Possible* |
| Instantaneous Power Interruption |
|
A phenomenon in which the power supply stops instantaneously. (The definition of the interruption time varies from a few ms to a few seconds.) | Instantaneously possible* with DRS, DRJ series (DRJ series with an option) | Possible* |
| Voltage Dip / Sag |
|
A phenomenon in which the supply voltage drops instantaneously. | Instantaneously possible* with DRS, DRJ series (DRJ series with an option) | Possible* |
| Voltage Drop / Brownout |
|
A phenomenon in which the voltage temporarily drops. Refers to a sustained drop of tens of milliseconds or more. IEC 61000-4-11 | Simply possible* with DRS, DRJ, DRK series | Possible* |
| Transient/Spike |
|
Voltage fluctuation associated with the opening and closing of contacts, etc. | Possible* with DRS, DRJ, DRK series | Possible* |
| Voltage fluctuation |
|
A phenomenon in which the voltage fluctuates constantly and periodically. (Flicker) Generally, it is in the range of ± several percent. |
Possible* with DRS, DRJ, DRK series | Possible* |
| Surge |
|
Instantaneous high voltage caused by lightning or high power switching. IEC 61000-4-5 |
Not Possible | Not Possible |
| Noise |
|
A state where high-frequency noise is superimposed on the supply power. IEC 61000-4-4 |
Not Possible | Not Possible |
| Frequency fluctuation | ![]() |
A state where the power supply frequency is not constant and fluctuates. Typically, check for stable operation by varying it up to ±2Hz. |
Possible* with DRS, DRJ, DRK series | Possible* |
*Note: Even if the test is listed as "Possible," there may be cases where the test cannot be performed due to limitations of the AC power supply or Bipolar power supply model or its functions.
Among these, Power failure (blackout) refers to the state in which the power supply has been cut off for more than a minute. If it takes less than a minute, it is called a momentary power failure. In particular, if one of the power transmission lines becomes abnormal due to a lightning strike, a momentary voltage drop occurs, and power transmission is temporarily stopped. This is a momentary power failure. In most cases, the power transmission will be resumed within a minute, but if the power transmission cannot be resumed after a minute or more, there will be a state called power failure. Furthermore, "Frequency fluctuation" occurs due to excessive or insufficient power generation on the power generation side.
Even if there is no abnormality in the power grid, there are some troubles that occur only in the home, office, or factory. For example, when a device such as a laser printer that has a high inrush current at startup is connected, the voltage that flows to other devices connected to the same outlet will drop. This is called brownout or voltage drop.
On the other hand, when the power of the device that used a large amount of power is turned off, the voltage flowing to other devices momentarily rises. This is known as a voltage spike or surge. The combination of repeated voltage drops and spikes is referred to as "voltage fluctuation."
In addition, there are phenomena called "Surge" where the voltage rises rapidly due to the influence of lightning from the outside, and "Noise" that occurs in turning ON/OFF devices connected to the same power system.
These troubles could cause visible phenomena including flickering fluorescent light and unstable operation of PC, or problems on manufacturing and R&D.
- Machine operation becomes unstable and reproducibility is lost.
- Control device causes malfunction.
- The accuracy of the test equipment and inspection equipment has deteriorated.
These affect the quality of the product. In the worst case, they also bring down the entire production line. In other words, a stable (AC) power supply is very important.
Types of programmable AC power supplies
So, how do we stabilize the AC power supply? There are "uninterruptible power supply systems" and other equipment in the event of an instantaneous power failure. In addition, various types of devices have been developed to stabilize the AC power supply.
These are generally known as AC stabilizers, automatic voltage regulators (AVR), and AC power supplies. Below, we describe four common methods, outlining their respective advantages and disadvantages.
Using Variable Autotransformer
It is an AC voltage stabilizer that supplies a nearly constant voltage to automatically control by connecting the servo motor and the variable autotransformer used to change the AC voltage. The principle is that the output voltage is kept constant by detecting the fluctuation of the input voltage and controlling the servo motor by the control circuit.
The advantage of variable autotransformers is that conversion efficiency is good. On the other hand, since it involves mechanical movement, it has a slow response speed and cannot respond to instantaneous fluctuations. In addition, the waveform distortion is not improved and is the same as the input. The frequency cannot be changed, and the size becomes large and heavy as disadvantages.
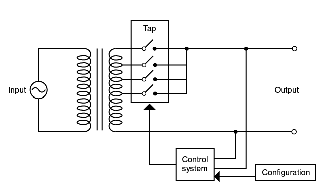
Using Tap Switching
It is a system that supports multiple taps such as +5%, +2%, +1%, 0, -1%, -2%, -5% on the transformer. A semiconductor switch switches the tap according to the fluctuation of the input voltage to maintain the output voltage.
Since there are no mechanical parts, it is more reliable and efficient than using a variable autotransformer. On the other hand, like variable autotransformers, the waveform distortion is not improved, and it is the same as the input. The frequency also cannot be changed. A disadvantage of this method is the large size and heavy weight of the AC transformer.
Using Linear Amplifier System
This is a power supply that outputs alternating current with an alternating sine wave and an AMP that amplifies it, unlike the simple method of operating the input voltage as mentioned above.
In order to avoid being affected by the input, the input is first rectified and converted to direct current, and then the reference sine wave is input to the linear amplifier. This allows you to output any voltage and frequency. It is an advantage that it can output a beautiful sine wave and can freely change the voltage and frequency. The response is also fast.
On the other hand, since it is a linear amplifier system, the inefficient use of power is a disadvantage. While smaller and lighter than the variable autotransformer and tap switching types, they are still relatively large and heavy.
Using Inverter System
This is an AC power supply that makes the linear amplifier system smaller and lighter, enabling high power. The system is an AC power supply that generates a reference waveform and amplifies it with AMP, similar to the linear amplifier system.
However, the amplification stage is different. The weight and size are reduced to 1/3 to 1/4, by changing the amplification stage from the linear method to the switching method (PWM).
In this way, there is an advantage that it is compact and can output a beautiful sine wave, and the voltage and frequency can be freely changed. Efficiency is also improved by adopting the switching method.
On the other hand, it is disadvantageous that the noise could be larger than the linear method due to switching.
However, due to the size and weight reduction of space, there are some small products that can be placed on a table that could not be used until now, so it is better to select them according to the cases.
While the power supply quality in Japan has become highly stable in recent years, it can be poor in many developing countries. So, AC-stabilized power supplies such as these automatic voltage regulators play an important role in precision equipment that requires stable power supplies.
Related Technical Articles
Recommended products
Matsusada Precision's high-performance AC power source
Reference (Japanese site)
- Japanese source page 「安定した交流電源を供給するには」
https://www.matsusada.co.jp/column/ac1910.html(link rot) - 電気の品質「周波数」を一定に保つために
https://www.hepco.co.jp/energy/recyclable_energy/problem/keep_quality.html(link rot) - 世界の電源電圧
http://www.mekatoro.net/digianaecatalog/orien-sougou/Book/orien-sougou-P1787.pdf (non-https address) - 海外旅行に必携!変換プラグ
(https://www.ec-current.com/shop/contents/contents.aspx/00000549) - 航空工学講座10 航空電子・電気装備
(https://book.jaea.or.jp/wp-content/uploads/2022/09/講座10 航空電子電気装備.pdf) - Country Voltage, Frequency, and Plug Type Chart
(https://www.iec.ch/world-plugs)
